Home
Our Services
Garden Tool Motor
Commercial Vacuum Cleaner Motor
DC Pump Motor
Fitness Equipment Motor
Garden Tool Motor
Commercial Vacuum Cleaner Motor
DC Pump Motor
Fitness Equipment Motor
Display
Factory Display
Case Display
Factory Display
Case Display
News
News
News
About
Contact Us
Partners
Language
中文
English
Home
Our Services
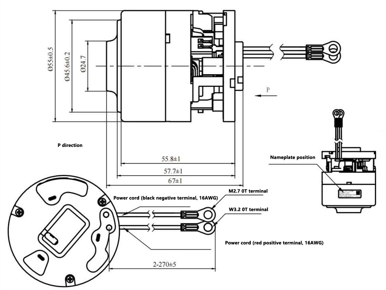
KYC Brushless Garden Tools Lawnmower Motor BLDC5510.00.00
KYC Brushless Garden Tools Lawnmower Motor BLDC5510.00.00
Cost advantage, controlled quality, compatible technology and equipment investment, fast market response, and customizable services.
Consult
Features
Technical Indicators
Overall Dimension
×
Contact Us
*Name
*Company Name
*Tel
*Email
*Message
*Verify Code
xiaochangyi@keyichuang.com
+86-13451533665